● 偏心設計,減少磨損,延長使用壽命。偏心半球閥采用偏心設計,當閥軸旋轉3~5°,球冠和閥座就脫離開來。也就是說,偏心半球閥在開啟和關閉的過程中,密封副都沒有接觸,沒有摩擦,減少磨損,球冠和閥座得到了保護,閥門使用壽命長。
● 水頭損失小。在閥門開啟時,球冠在閥芯的帶動下被隱藏于閥芯后,流道中沒有任何阻礙,完全暢通,水頭損失小,節能降耗。
● 密封性能好。關閉時介質的作用力推動球冠靠向閥座,水壓越大,密封性越好,具有良好的自密封性。
● 高度小。偏心半球閥具有閘閥的全通徑性又具有蝶閥一樣的高度。
● 切削雜物。密封副球冠設計為鋒利的刀口,在關閉過程中,能切斷雜物,繼續關閉無泄漏。
● 在線維修。在維修時不需要把閥門從管道中取出,只需要打開閥蓋進行維修。
● 操作型式多樣。可用手動蝸輪、電動、氣動、液動等裝置操作,也可與液控裝置配置成液控止回偏心半球閥用于水泵出口起止回防水錘之用。
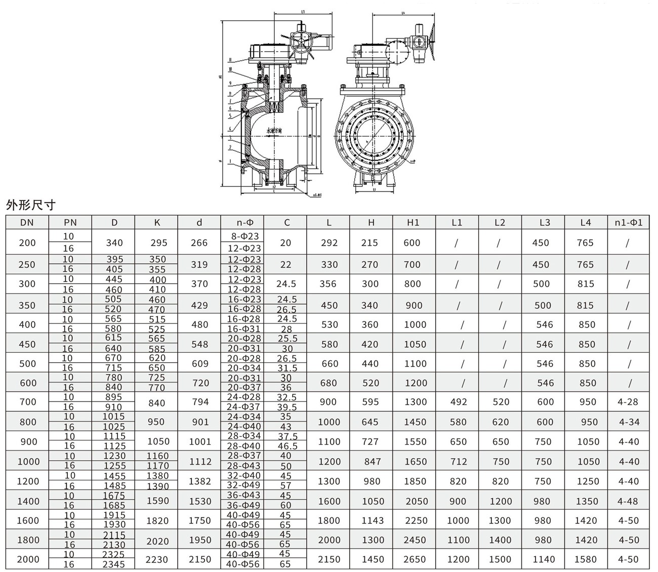
序號 | 名稱 | 材質 |
1 | 閥體 | 球墨鑄鐵QT450-10、鑄鋼WCB |
2 | 球冠 | 不銹鋼20Cr13 |
3 | 閥芯 | 球墨鑄鐵QT450-10、鑄鋼WCB |
4 | 橡膠閥座 | 三元乙丙橡膠EPDM或丁腈橡膠NBR |
5 | 主、從動軸 | 不銹鋼20Cr13 |
6 | 閥座 | 不銹鋼304 |
7 | 上、下軸套 | 銅合金復合軸套 |
8 | 緊固件 | A2-70和碳鋼鍍鋅 |
9 | 閥蓋 | 球墨鑄鐵QT450-10、鑄鋼WCB |
10 | O型密封圈 | 三元乙丙橡膠EPDM或丁腈橡膠NBR |
11 | 傳動裝置 | 組合件 |

版權所有:博納斯威閥門股份有限公司 地 址:天津市寶坻區九園工業園5號路
版權所有:博納斯威閥門股份有限公司
地 址:天津市寶坻區九園工業園5號路